建筑工程模板
专注钢结构工程设计、施工、材料加工一体化服务
拥有钢结构制造与钢结构承包资质
咨询热线
0759-2725908,13802820319
首页
|
关于我们
|
应用领域方案
|
生产能力
|
工程实拍
|
案例中心
|
新闻中心
|
联系我们
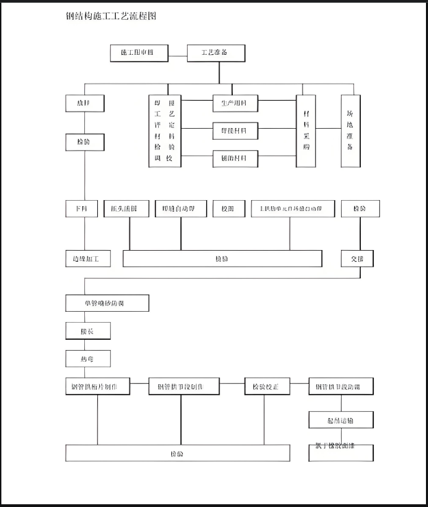
钢结构施工流程
2024-07-01 10:45
电话咨询:13802820319
微信客服
扫码咨询